Tehnickob crtanje u masinstvu Pregled
ТЦ-1 TЕХНИЧКИ ЦРТЕЖИ У МАШИНСТВУ
ПРИНЦИП ОРТОГОНАЛНЕ ПРОЈЕКЦИЈЕ ТЕЛА
ОРТОГОНАЛНА ПРОЈЕКЦИЈА ТАЧКЕ НА ТРИ РАВНИ
ТЦ-2 TЕХНИЧКИ ЦРТЕЖИ У МАШИНСТВУ
ОРТОГОНАЛАНА ПРОЈЕКЦИЈА ДУЖИ НА ТРИ РАВНИ
ОРТОГОНАЛНА ПРОЈЕКЦИЈА РАВНИХ ФИГУРА (а) И НЕКИХ ТЕЛА (б)
АКСОНОМЕТРИЈСКЕ ПРОЈЕКЦИЈЕ:
а – коса пројекција, б – диметријска пројекција, в – изометријска пројекциј
г – централна перспектива
Вежба 2.1. ОСНОВИ ОРТОГОНАЛНЕ ПРОЈЕКЦИЈЕ.
У ортогоналној пројекцији нацртати задату тачку, дуж, површине и тела на
основу задатих координата тачака у радној свесци (према Слици 2.2 – 2.4).

ТЦ-4 СПЕЦИФИЧНОСТИ ТЕХНИЧКИХ ЦРТЕЖА У МАШИНСТВУ
Уздужни пуни пресек настаје ако се предмет
пресече замишљеном равни дуж осе, а
попречни управно на осу предмета. Посебно
је интересантан код приказа унутрашњих
отвора, усека и слично.
УЗДУЖНИ ПУНИ ПРЕСЕК
Код осно симетричних предмета често се
користи четвртински пресек. Она омогучује
да се уоче детаљи унутрашнјих отвора, рупа
усека, прелаза и слично.
ПРИМЕР КОРИШЋЕЊА ЧЕТВРТИНСКОГ
ПРЕСЕКА
Заокренути пресек настаје тако што се
предмет пресече једном равни која је
нормална на осу, затим заокрене за 90
0
и
шрафира, или се користи изломљени
пресек. На тај начин може се уштедети
посебна пројекција
Приказ четвртке се врши ознаком
пресечених дијагонала. Навој се приказује
са танком линијом што указује на дубину
навоја и ознаком врсте навоја и пречника,
на пример М10 (милиметарски навој
пречника 10 mm).
ЗАОКРЕНУТИ ПРЕСЕК ХВАТАЧА: пример
заокренутог пресека, означавање четвртке,
котирања навоја (М 10), котирање оборене
ивице 1/45
0
,
Делимични пресек користи се кад треба
разјаснити само неки детаљ. Пресечен део
се шрафира и ограничава пуном танком
линијом, извученом слободном руком.
ДЕЛИМИЧНИ ПРЕСЕК
ТЦ-5 СПЕЦИФИЧНОСТИ ТЕХНИЧКИХ ЦРТЕЖА У МАШИНСТВУ
Лимови мале дебљине и профили могу се
цртати појачаном линијом. На пример на
слици показан је пресек танког лима пресека
90 х 6 mm на који је постављен профил U10
(висина 100 mm), затим један симетричан
профил L30 х 30 х 5 и асиметричан профил L
30 х 60 х 5. На местима спајања профила и
лимова показане су само осе уз евентуални
коментар.
ПРЕСЕК ТЕЛА МАЛЕ ДЕБЉИНЕ
Ако на изостављеном делу нема битних
детаља, најчешћи вид упрошћавања је
скраћивање стварне дужне предмета
великих димензија. Остављају се само
важни делови, обично оба или један крај
предмета, а остатак се одбацује. На
скраћеном делу уписује се на коти стварна
димензија надвучена цртом .
ТЕЛА ВЕЛИКЕ ДУЖИНЕ
Ознаке квалитета обраде се на цртежима
означавају са угластом кукицом која може
бити затворена цртицом, што се односи на
површине које се обрађују, или кружићем
што указује да се ради о површини која се не
дорађује скидањем материјала (на пример
ливење). Словна и бројчана ознака одређују
ниво квалитета.
ОЗНАКЕ КВАЛИТЕТА ОБРАДЕ
Врло често је потребно прописати
толеранције што значи прописати границе
одступања димензије, например горњу и
доњу границу. Толеранције се могу
прописати бројчано као одступање од неке
номиналне мере како је показано на Sлици
за димензију 25 мм, или коришћењем
словних и бројчаних ознака ( на пример 20
H7).
УНОШЕЊЕ ТОЛЕРАНЦИЈА
Вежба 2.2. ОРТОГОНАЛНА ПРОЈЕКЦИЈА ТЕЛА.
На основу аксонометријских пројекција тела (датих у радној свесци), или на основу узорака
ако их имате, нацртати тело у косој и ортогоналној пројекцији (према Слици 2.21 – 2.22).
Вежба 2.3. – КОТИРАЊЕ И ПРЕСЕЦИ.
За изабрано тело у вежби 2.2, које је нацртано у потребаном броју ортогоналних пројекција,
треба извршити котирање и потребна обележавања (ако је предмет дат у размери 1:2)
користећи правила и специфичности машинског техничког цртања.

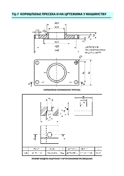
ТЦ-7 КОРИШЋЕЊЕ ПРЕСЕКА И НА ЦРТЕЖИМА У МАШИНСТВУ
КОРИШЋЕЊЕ ИЗЛОМЉЕНОГ ПРЕСЕКА
ПРИМЕР МОДЕЛА НАЦРТАНОГ У ОРТОГОНАЛНИМ ПРОЈЕКЦИЈАМ
ТЦ-8 КОРИШЋЕЊЕ ПРЕСЕКА И НА ЦРТЕЖИМА У МАШИНСТВУ
Вежба 2.4. ЦРТАЊЕ И ИЗРАДА МОДЕЛА
За изабрано тело у вежби 2.2 нацртати његову развијену мрежу и израдити
предмет од папира (према примеру на Слици 2.22).

ТЦ-10 КОРИШЋЕЊЕ ПРЕСЕКА И НА ЦРТЕЖИМА У МАШИНСТВУ
Вежба 2. 5. ЦРТАЊЕ СКЛОПНОГ И РАДИОНИЧКИХ ЦРТЕЖА .
Према примеру датом на Слици 2.23 – 2.25 нацртати склопни цртеж за
изабрани склоп и радионичке цртеже.
ПРИМЕР РЕАЛИЗАЦИЈЕ ВЕЖБЕ ЦРТАЊЕ СКЛОПНОГ И РАДИОНИЧКИХ ЦРТЕЖА:
склопни цртеж аксијалног лежишта бр. 01 00
ТЦ-11 КОРИШЋЕЊЕ ПРЕСЕКА И НА ЦРТЕЖИМА У МАШИНСТВУ
ПРИМЕР РЕАЛИЗАЦИЈЕ ВЕЖБЕ ЦРТАЊЕ СКЛОПНОГ И РАДИОНИЧКИХ ЦРТЕЖА:
радионички цртеж постоља бр. 01 0

ТЦ-13 ОД ИДЕЈЕ ДО РЕАЛИЗАЦИЈЕ
Вежба 2. 6. ОД ИДЕЈЕ ДО НОВЕ КОНСТРУКЦИЈЕ
Разрадити сопствену идеју неке конструкције и предвидети ток и начин њене
реализације, тј. сачинити предлог плана израде модела у наредном периоду
(касније, ако треба, тај план кориговати).
ОД ИДЕЈЕ ДО НОВЕ КОНСТРУКЦИЈЕ
ТЦ-14 ОД ИДЕЈЕ ДО РЕАЛИЗАЦИЈЕ
МОДЕЛИ: а) фото робота, б) механичке руке

ТЦ-16 TЕХНИЧКИ ЦРТЕЖИ У МАШИНСТВУ
РЕЗИМЕ НОВИХ ПОЈМОВА – ТЕХНИЧКО ЦРТАЊЕ У МАШИНСТВУ
Технички цртежи у машиноградњи су графичко-технички прикази предмета
који одређују облик, димензије, састав и начин израде предмета; могу бити
склопни и детаљни.
Склопни цртеж показује састав и међусобну повезаност појединих делова
(начин склапања и структуру склопа); често се цртају и подсклопови који
обухватају мање целине склопа.
Детаљни (радионички) цртеж приказује увек само један предмет, односно део,
са свим подацима према којима се он може израдити.
Склопни и детаљни цртежи могу бити различите намене: идејни, патентни,
пројектни, радионички, монтажни, поруџбени, шематски и др.
За приказ делова на цртрежима могу се користити ортогоналне и
аксонометријске пројекције (коса, диметријска, изометријска пројекција и
центална перспектива) .
У машиноградњи највише се користе цртежи у ортогоналној пројекцији са
једном и више пројекција, где се свака тачка пројектује нормално на пројектну
раван (нормална пројекција).
Предмети у машинству често су врло сложеног облика, захтевају одређен
квалитет обраде и врло прецизне димензије, а што трба приказати на
цртежима.
Код цртежа се често користи неколико пројекција ради што бољег
дефинисања димензија, обични и специјални (замишљени) пресеци ради
сагледавања свих детаља, као и размештај кота на што прегледнији начин.
На цртежима се, по потреби, означавају врста и квалитет обраде и дозвољена
одступања од праве мере (толеранције).
Постоји и упрошћени начин приказивања детаља, као и шематско
приказивање.
На машинским техничким цртежима све димензије (коте), без обзира на
величину предмета, изражаавају се искључиво у милиметрима (mm).
КЉУЧНЕ РЕЧИ – ТАХНИЧКО ЦРТАЊЕ У МАШИНСТВУ
технички цртеж, склопни цртеж, детаљни (радионички) цртеж, скица, ортогонална
пројекција, аксонометрија, котирање, пресек, квалитет обраде, толеранција, прибор
за цртање, модел, прототип, софтвери за цртање
(у Речнику на крају Уџбеника нађите објашњење речи и појмова)
Želiš da pročitaš svih 1 strana?
Prijavi se i preuzmi ceo dokument.
Slični dokumenti
Ovaj materijal je namenjen za učenje i pripremu, ne za predaju.