Tehnološki proces proizvodnje piva: zaštita na radu Pregled
Veleučilište u Karlovcu
Odjel Sigurnosti i zaštite
Stručni studij sigurnosti i zaštite
Kristina Franović
TEHNOLOŠKI PROCES PROIZVODNJE
PIVA
ZAVRŠNI RAD
Karlovac, 2016.
Karlovac University of Applied Sciences
Safety and Protection Department
Professional undergraduate study of Safety and Protection
Kristina Franović
TEHNOLOGICAL PROCESS OF
BREWING
Final paper
Karlovac, 2016.

I
VELEUČILIŠTE U KARLOVCU
Stručni studij sigurnosti i zaštite
Usmjerenje:sigurnost i zaštita Karlovac, 2016
TEHNOLOŠKI PROCES PROIZVODNJE PIVA
Student: Kristina Franović
Naslov: Tehnološki proces proizvodnje piva
Opis zadatka: 1. Uvod
2. Tehnološki procesi
3. Proizvodnja piva
4. Opasnosti, štetnosti i mjere zaštite
5. Prva pomoć
6. Zaključak
7. Literatura
Zadatak zadan: Rok predaje rada: Predviđeni datum obrane:
07/2015. 05/2016. 05/2016.
Mentor:
Predsjednik Ispitnog povjerenstva:
Dr.sc. Igor Peternel Mr. sc. Snježana Kirin, viši predavač
II
PREDGOVOR
Zahvaljujem mentoru, dr.sc. Igoru Peternelu na podršci i savjetima koje mi je tijekom
završnog rada pružao. Posebna zahvala mr.sc. Snježani Kirin, dipl.ing. koja mi je dodijelila
temu rada i pomogla mi da krenem sa pisanjem. Hvala kolegama i profesorima Veleučilista u
Karlovcu, Odjel sigurnosti i zaštite , na pomoći, podršci i prenesenom znanju tijekom cijelog
studiranja. Želim spomenuti i nesebičnu pomoć svojih prijatelja Vlatke i Ivana. Veliko hvala
mojoj obitelji i rođakinji Dunji Mance koji su mi omogućili da upišem studij te mi dali veliku
podršku, financijsku pomoć i prije svega vjerovali u mene i podržavali me od početka do
kraja.
Hvala Vam!

IV
SADRŽAJ
ZAVRŠNI ZADATAK. ......................................................................................................... I
PREDGOVOR. ..................................................................................................................... II
SAŽETAK ........................................................................................................................... III
SADRŽAJ ........................................................................................................................... IV
1. UVOD .............................................................................................................................. 1
2. TEHNOLOŠKI PROCESI ................................................................................................ 2
3. PROIZVODNJA PIVA ..................................................................................................... 4
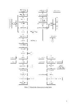
3.1. SHEMATSKI PRIKAZ PROIZVODNJE PIVA ...................................................... 4
3.2. SIROVINE ZA PROIZVODNJU PIVA ................................................................... 6
3.2.1. Voda ................................................................................................................ 6
3.2.2. Slad .................................................................................................................. 6
3.2.3. Hmelj ............................................................................................................... 6
3.2.4. Pivski kvasac ................................................................................................... 7
3.3. PROCES PROIZVODNJE PIVA .............................................................................. 7
3.3.1. Tehnologija slada ............................................................................................. 7
3.3.1.1. Proizvodnja sladovine ....................................................................... 9
3.3.2. Tehnologija piva ............................................................................................ 13
3.3.2.1. Bistrenje i istakanje piva ................................................................. 15
3.3.2.2. Punjenje boca .................................................................................. 16
4. OPASNOSTI, ŠTETNOSTI I MJERE ZAŠTITE .......................................................... 18
4.1. OPASNOSTI I ŠTETNOSTI ................................................................................... 18
4.1.1. Opasnosti u procesu rada ............................................................................... 18
4.1.2. Opasnosti u radnom okolišu .......................................................................... 19
Želiš da pročitaš svih 42 strana?
Prijavi se i preuzmi ceo dokument.
Slični dokumenti
Ovaj materijal je namenjen za učenje i pripremu, ne za predaju.