Proračun vozila Pregled
ВИСОКА ТЕХНИЧКА ШКОЛА СТРУКОВНИХ СТУДИЈА
НИШ
1
ВИСОКА ТЕХНИЧКА ШКОЛА СТРУКОВНИХ
СТУДИЈА У НИШУ
ПРЕДМЕТ: МОТОРНА ВОЗИЛА
СЕМИНАРСКИ РАД
ПРОРАЧУН ВОЗИЛА
април 2015
студент: предметни професор:
Жељко Фастикић РДс 4/13 др Томислав Маринковић
предметни асистент:
дипл. инж. маш. Биљана Милутиновић
ВИСОКА ТЕХНИЧКА ШКОЛА СТРУКОВНИХ СТУДИЈА
НИШ
2
САДРЖАЈ
Димензије товарног простора и начин слагања врећа у оквиру товарног
Габаритне димензије возила (дужина, ширина, висина).................................6
Положај осовина возила (предњи препуст, осовинско растојање, задњи
Снага за савлађивање отпора котрљања.........................................................17
Снага за савлађивање отпора ваздуха..............................................................17
Сума снага за савлађивање отпора котрљању и отпора ваздуха................17
5. ПРОРАЧУН КАРАКТЕРИСТИКА МОТОРА – P = P (n); M = M (n); K
Одређивање меродавне максималне снаге мотора – P
.............................20
Одређивање коефицијента еластичности.........................................................23
6. ПРОРАЧУН ПРЕНОСНОГ ОДНОСА У ГЛАВНОМ ПРЕНОСНИКУ - io.......25
7. ПРОРАЧУН ПРЕНОСНИХ ОДНОСА МЕЊАЧА - im.........................................25

ВИСОКА ТЕХНИЧКА ШКОЛА СТРУКОВНИХ СТУДИЈА
НИШ
4
3. Број точкова и расподела по осовинама;
4. Прорачун отпора при кретању и потребна снага за њихово савлађивање;
5. Прорачун карактеристика мотора : P = P(n), M = M(n), K
m
, K
n
;
6. Прорачун преносног односа у главном преноснику – i
o
;
7. Прорачун преносног односа мењача – i
m
1. ДИМЕНЗИЈЕ ВОЗИЛА
1.1 Карактеристике робе која се превози
Намена возила је превоз шећера у врећама. Шећер се пакује у вреће машинским путем
на месту производње.
Димензије вреће су: D
v
x Š
v
x V
v
= 800 x 430 x 210 (mm), па је запремина једне вреће:
V
v
= D
v
x Š
v
x V
v
= 0,8 x 0,43 x 0,21 = 0,0722 m
3
;
Запреминска маса шећера износи 850
kg
m
3
;
На основу запремине вреће и запреминске масе шећера можемо израчунати масу пуне
вреће:
m
v
= V
v
x 850 = 61,37 kg
Утовар врше два радника који стоје на товарном простору камиона и слажу вреће које
пристижу помоћу тракастог транспортера. Истовар камиона врше радници ручно.
1.2 Димензије товарног простора и начин слагања врећа у оквиру товарног
простора
Како би се искористила корисна носивост камиона, запремина товарног простора мора
бити:
V
tp
=
G
k ∙ γ
k
η
v · γ
m
=
4,5
∙
1
0,95
∙
0,85
= 5,57 m
3
Где је:
ВИСОКА ТЕХНИЧКА ШКОЛА СТРУКОВНИХ СТУДИЈА
НИШ
5
G
k
– корисна носивост возила у тонама;
γ
k
– коифицијент искоришћења носивости ( усваја се 1);
η
v
– коифицијент искоришћења запремине каросерије за задату врсту терета, за вреће и
кесе се усваја између 0,9 и 1; ми усвајамо 0,95;
γ
m
– запреминска маса терета (креча) у тонама по метру кубном.
Спољашња ширина товарног простора износи 2000 mm, а унутрашња 1940 mm;
Висина товарног простора без арњева износи 600 mm;
Унутрашња дужина товарног простора да би се постигла запремина од 5,57 m
3
мора
бити:
9
1,94
∙
0,6
= 4,8 m, односно 4800 mm, док спољашња дужина износи 4860 mm.
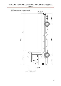
Слика 1а. Димензије товарног простора

ВИСОКА ТЕХНИЧКА ШКОЛА СТРУКОВНИХ СТУДИЈА
НИШ
7
Висина товарног простора износи h
tp
= 600 mm.
1.5 Положај тежишта
слика 3. Положај тежишта возила
За теретна возила:
l
p
l
=
Z
zst
G
u
= (0,7 – 0,75); усвајам
l
p
l
= 0,7; из овога следи да је:
l
p
= 0,7 x l = 0,7 x 4000 = 2800 mm; односно да је:
l
z
= l – l
p
= 4000 – 2800 = 1200 mm.
Висина тежишта за теретна возила:
Неоптерћено возило h
t
= (0,65 – 1,00) m;
Оптерећено возило h
t
= (0,85 – 1,10) m; усвајам h
t
= 1,00 m.
Želiš da pročitaš svih 34 strana?
Prijavi se i preuzmi ceo dokument.
Slični dokumenti
Ovaj materijal je namenjen za učenje i pripremu, ne za predaju.