Proizvodnja peći za kalenje 3500W Pregled
Prirodno matematički fakultet Banja Luka
Odsjek za tehničko obrazovanje i informatiku
Predmet ;Elektrotehnika i tehnologija 2
Seminarski rad.,
Izrada peći za kalenje 3500W
Student; Mentor:
Bjelić Nebojša. dr.Mićo Gaćanović. Profesor
Br.indeksa, 54/12,vanredni
1. Zadatak i kratak opis peći
Svrha ovog rada je da se osposobi peć za kalenje sitnijih komada. Peć ima oblik
kvadra.Iznutra je ozidana vatrostalnim izolirajućim materijalima, a izvana je obložena
čvrstom željeznom konstrukcijom. Korisne dimenzije peći /radna komora/ su
110x170x300mm. Instalisana snaga je 3500KW, a predvidjeni priključak je na
monofaznu struju 220V, 50 Hz.Od dvije moguće varijante ugradnje grijaćih elemenata
odličio sam se na varijantu uvlačenja grijača u otvore komore.Naime , varijanta motanja
grijača oko komore povećava gubitke zbog usmjeravanje toplote prema plaštu ,a ne
samo prema komori.Radni prostor /komora/ je formiran od četiri keramičke ploče koje
imaju svaka po šest kružnih tunela/ rupa/u koje se smještaju spirale grejnih
elemenata.Maksimalna radna temperatura ovih peći je 1200 C, te je na osnovu toga
kao materijal za grijač odabran KANTHAL A1, čija je maksimalna radna temperatura
1350 C.To je najkvalitetnija elektrootporna žica koja se danas proizvodi. Ovaj, kao i svi
ostali otporni materijali na bazi hromaluminijuma koji se danas proizvode, najbolje su
se pokazali kod rada u oksidirajućoj atmosfveri,što je slučaj kod ove peći.Loša mu je
osobina što nakon zagrijavanja iznad 700 C dobiva krupno zrno, te se radi toga više
ne može formirati postaje krhak i puca.Isto tako ne podnosi / u užarenom stanju/
vibracije i sitne udarce .Za vrijeme rada peći nemoguć je pristup grejnim elementima pa
se nastojalo postići što manje vatno opterećenje Dozvoljeno vatno opterećenje po
propisima kantala je 2W/cm2. Regulacija temperature je automatska s iskapčanjem kod
dostignute,zadate ,temperature. To se izvodi pomoću termoelementa i jednopoložajnog
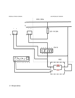
regulatora temperature.Upravljanje peći izvodi se sa jednog ormara na kome su
ugrađeni;jednopoložajni regulator temperature,ampermetar,osigurač,grebenasta
sklopka sa položajem 0-1 i signalna lampica.U unutrašjem dijelu ormana smješten je
uklopnik CN-16. Zaštita od kratkog spoja izvedena je pomoću automaskog
osigurača,dok je zaštita od previsokog dodirnog napona izvedena nulovanjem.
2. Proračun grijaćih elemenata
Pošto je radna temperatura peći 1200 C a u cilju produženja vijeka trajanja grijaćih
elemenata odabrali smo materijal za grijače, elektrootpornu žicu KANTHAL A1 čiji su
podaci:
Maksimalna radna temperatura -----------------------------------1350 C

E--------------------------------napon elemenata /v /
2.1. Proračun debljine žice:
d= 1.25 mm
U cilju smanjenja površinskog vatnog opterećenja usvajam slijedeći veći presjek.
/katalog kantal/
Stvarno vatno opterećenje jednog elementa iznosi:
Otpor u toplom stanju jednog elementa iznosi;
Otpor kod 20 C iznosi;
Ukupna dužina žice jednog elementa je;
Želiš da pročitaš svih 12 strana?
Prijavi se i preuzmi ceo dokument.
Slični dokumenti
Ovaj materijal je namenjen za učenje i pripremu, ne za predaju.